冻干机消毒方案总结
真空冷冻干燥(简称冻干)是将含水物质先冻结成固态,然后使其中的水分从固态升华成气态,从而除去水分而保存物质的方法。主要用于制药、生物制品、血液制品、食品等物质的干燥。冻干机在制药前,需要对前箱和后箱进行消毒处理,包括板层和内部舱室表面、管路表面,消毒完成且合格后开始进行制药流程。


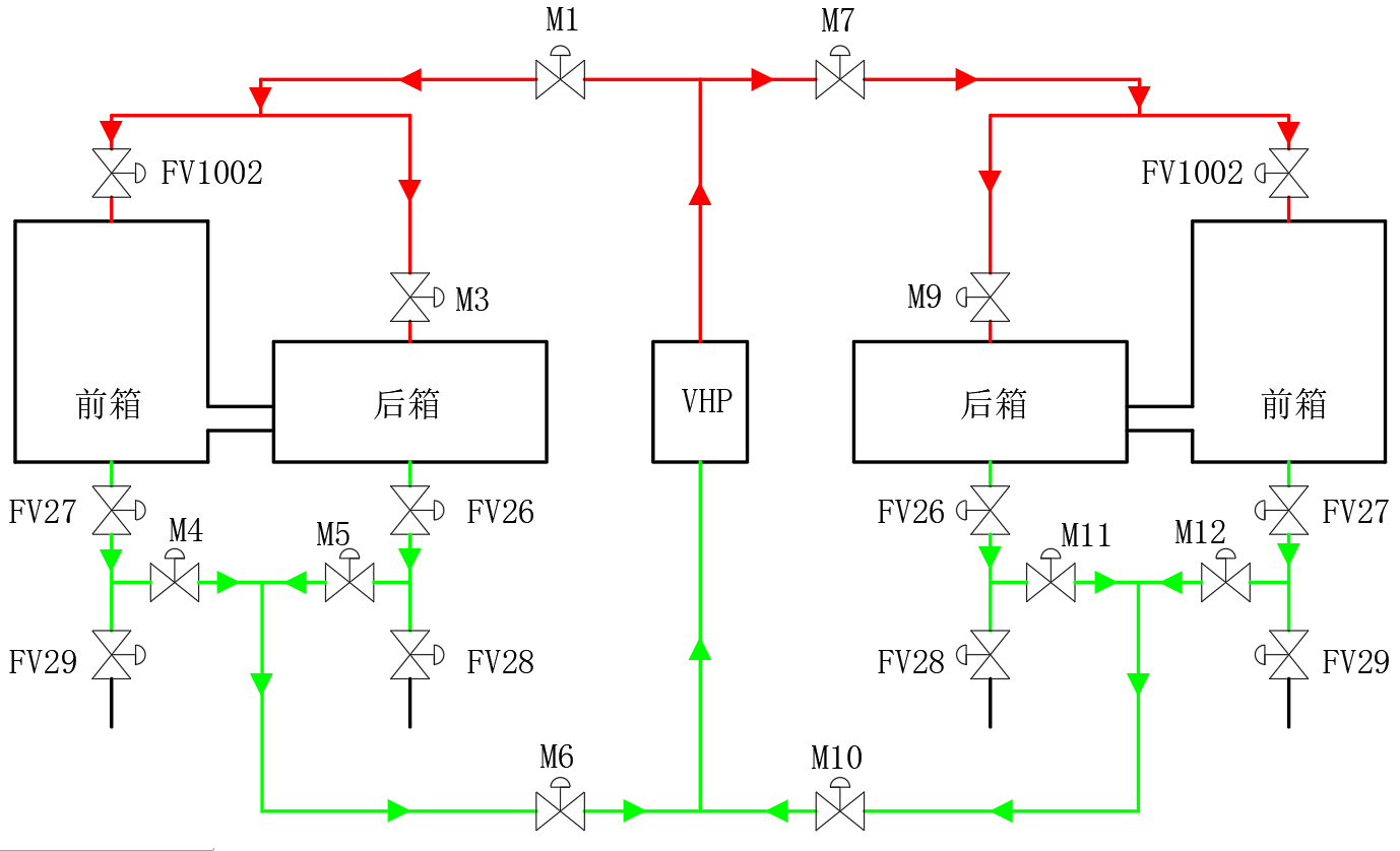
①、吉林津升有2个冻干机车间,每个车间分别有2个冻干机。冻干机尺寸大小一样,具体尺寸如下:冻干机前箱13m³,表面积40㎡,共计15个板层;后箱15m³,表面积44㎡,前后箱共计28m³,表面积84㎡。
②、冻干机需要VHP消毒时,冻干机需发出VHP指令后,VHP通过控制系统识别,然后控制相应的阀门来对冻干机消毒。若两台冻干机同时发出VHP指令,系统报警提示,每次只能灭菌一台冻干机。
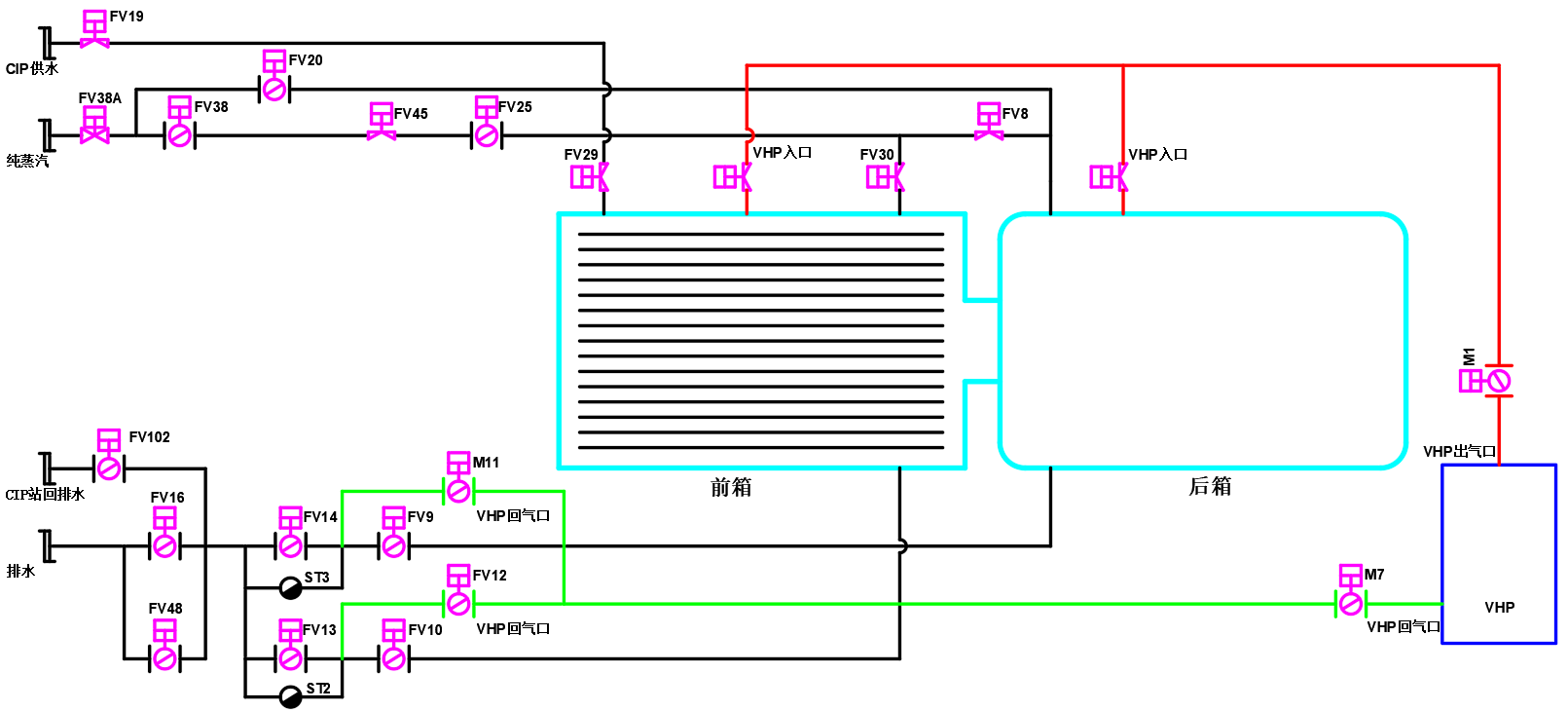
①除湿:冻干机在VHP消毒前,需要对前后箱进行CIP(Clean In Place在位清洗),清洗后可使舱体内湿度降低到40%RH左右。(一般为150分钟)
②灭菌:本方案消毒采用循环式消毒方法,通过VHP自带循环载气动力单元对冻干机前后箱同时进行气体循环。
除湿结束后,冻干机发出VHP消毒指令,VHP接收到消毒指令后,VHP控制系统做出判断,判断出是哪一台冻干机发送请求并做出呼应指示。以此方法做到与冻干机互锁,排除误操作导致冻干机制药过程中存在的风险。操作VHP人机交互系统,选择呼应的冻干机,此时请求消毒的冻干机管道阀门打开,再启动VHP对冻干机前箱和后箱进行内部消毒。(一般为200分钟)
③除残:消毒结束后,管道阀门自动关闭,冻干机需退出VHP模式,停止VHP指令,然后冻干机开启抽空模式,抽空3次后,最终检测浓度<1ppm。(一般为45分钟)
④芽孢条布置点:
理论上每层冻干机需布置5个点,冻干机内部角落需布置,指示条一般为嗜热脂肪芽孢杆菌。一般只布置在前箱,后箱没法放置。

A1-A33为化学指示条 三角形圆形为生物指示条
⑤VHP消毒参数如下:
状态 | 时间Min | 流量ml/ Min |
预热 | 5 | |
调节 | 90 | 3.5 |
灭菌 | 90 | 3 |
除残 | 15 |
一次消毒剂使用量共计585ml,消毒时长:200分钟







PDF:
V系列冻干机常压循环灭菌.pdf
美卓设备
SPORIS®️舒博消毒剂
解决方案
新闻资讯
资源支持
0571-86500029
18072756351
hzmeizhuo@163.com
杭州市滨江区西兴街道楚天路270号1幢三楼
Copyrights©2012-2025 All Rights Reserved.杭州美卓生物科技有限公司
备案号:浙ICP备12034124号-1